
© Hochschule Bremen - Jan-Henning Dirks
Arthropods comprise more than 80% of all extant animal species, with insects representing the most diverse and abundant subgroup. Their remarkable evolutionary success is closely linked to a wide spectrum of morphological, physiological, and ecological adaptations.
A central element of this success is the cuticular exoskeleton. As the second most common biological composite material on Earth—surpassed only by cellulose-based biomass—the insect cuticle combines structural robustness with extraordinary versatility. Its hierarchical organization and tunable mechanical properties make it an exceptional model system for understanding biological materials and for developing bio-inspired composite structures.
Despite decades of research, many of the fundamental biomechanical principles that determine the structure, function, and adaptive potential of arthropod cuticle remain unresolved. As a result, the full translational potential of this material class—particularly for the design of novel, sustainable, and high-performance biomimetic materials—remains largely untapped.
Our research spans a broad spectrum from basic biological principles to translational biomimetic applications. At the core of our current work is the study of insect and echinoderm skeletons as model systems for understanding how biological materials achieve functionality through hierarchical structure, adaptive mechanics, and controlled material heterogeneity. By integrating experimental biomechanics, high-resolution imaging, multiscale modelling, and materials science, we investigate how organisms build and maintain mechanically efficient structures—and how these principles can inspire novel engineered materials.
© HSB - Jan-Henning Dirks
© Hochschule Bremen - Jan-Henning Dirks
Insects represent the most evolutionarily successful group of multicellular organisms on Earth. A major factor contributing to this success is their cuticular exoskeleton—the most widespread skeletal system in the animal kingdom. This composite structure provides mechanical protection, enables locomotion, and supports a wide range of ecological and behavioural adaptations.
Despite its ubiquity and functional importance, our understanding of the biomechanical principles that govern arthropod exoskeletons remains limited. In comparison to other biological materials, even the basic mechanical characteristics, structure–function relationships, and developmental mechanisms of insect cuticle are still insufficiently understood.
Our group addresses these knowledge gaps through an integrative biomechanical and morphological research programme. We combine functional morphology, materials science, histology, advanced imaging, and mechanical testing to elucidate how insects build, maintain, and adapt their exoskeletons. By linking microstructural organisation to macroscopic performance, we aim to uncover the fundamental design principles that underlie the remarkable efficiency and versatility of this biological material.
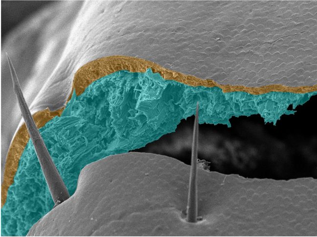
Crack through the exo- and endocuticle of an locust hind leg tibia
© HSB - Christoph Bruns
Despite being one of the most abundant biological materials in the animal kingdom, insect cuticle remains poorly understood with respect to many of its fundamental biological and biomechanical properties. In particular, the capacity of mature cuticle to respond to damage through repair and structural reorganisation has long been underestimated and represents a largely unexplored aspect of arthropod biology.
A key feature of insect cuticle is its highly ordered hierarchical organisation, characterised by the precise alignment of chitin fibres in alternating lamellae. This structural arrangement is central to the mechanical performance of the exoskeleton, yet the biological mechanisms that govern fibre orientation, layer formation, and spatial patterning are still unclear. Increasing evidence suggests that these processes are actively controlled by epidermal cells and may be influenced by external cues, including ambient light conditions.
In several ongoing research projects, we investigate the fundamental principles underlying cuticle growth, maturation, and wound-induced repair, as well as the cellular and biophysical mechanisms that determine chitin fibre orientation. These studies are mostly supported by the Deutsche Forschungsgemeinschaft (DFG).
© HSB - Jan-Henning Dirks
Most conventional engineering joints rely on friction reduction to enable movement between rigid components. In contrast, many biological joint systems integrate stability and adaptability by modulating stiffness rather than minimising friction.
A prominent example is the starfish skeletal system. Its body posture can be maintained without continuous energy input through an arrangement of small ossicle-like elements embedded in a specialised collagenous matrix. By reversibly adjusting the mechanical state of this connective tissue, the system switches between flexible and load-bearing configurations.
Within the BMBF-funded BIAG project, we analyse these biological principles and translate them into bio-inspired joint architectures for technical applications. The focus lies on tunable mechanical behaviour, scalable structural concepts, and compatibility with modern manufacturing processes, providing a foundation for adaptive and energy-efficient joint systems.

Prof. Dr. Jan-Henning Dirks
Professor Biological Structures and Biomimetics
+49 421 5905 6010
Email

Dr. Jendrian Riedel
Core Facility for Multidisciplinary Structural Analysis
+49 421 5905 3479
Email

Jonas Unterholzner
PhD student - Fatigue and repair mechanisms in insect exoskeletons
+49 421 5905 4150
Email

Christoph Bruns
PhD student - Biomechanics of micro-damage in insect exoskeletons
+49 421 5905 4150
Email


